Description
We use state-of-the-art CAD technology, the finest craftsmen, and the same or as similar materials as possible to make our reproductions look as original as possible. We start by using original spare parts as a base, which gives us the opportunity to develop high-quality products.
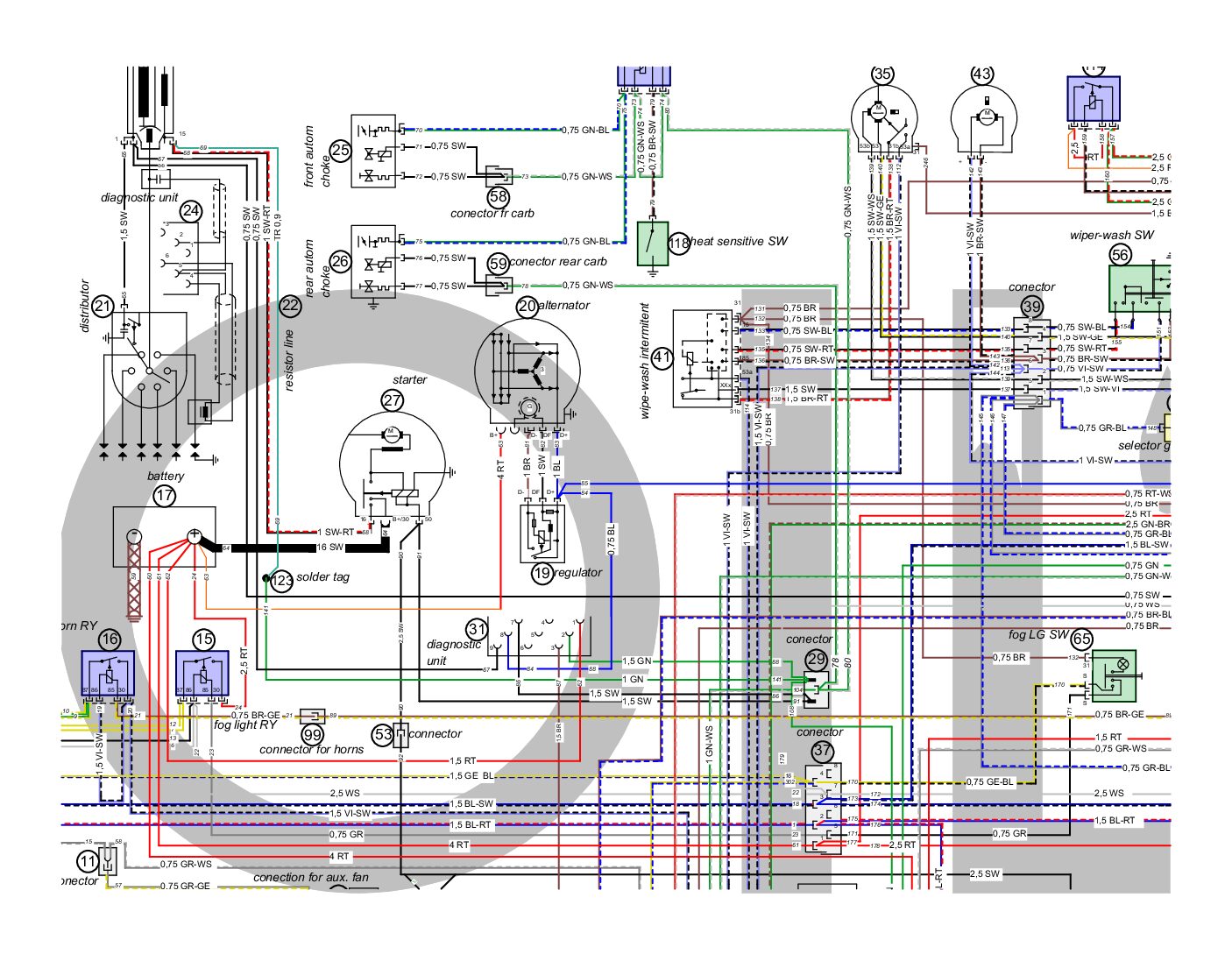
- Shape: Like the original part.
- Color: Full color
- Material: 34X22 Paper
- Correspond Part Number: Late 73 CS
- Location: 3 blueprints







Reviews
There are no reviews yet.